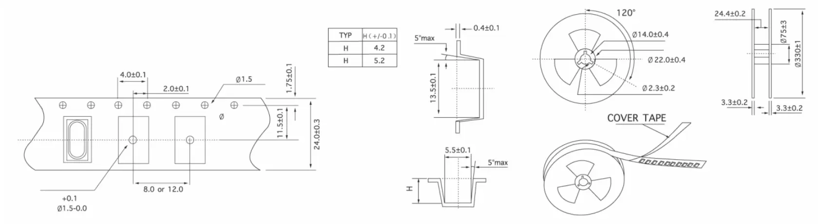
水晶ユニット
HC-49U/S
| タイプ | HC-49S/2PD |
| 周波数範囲 | 3.5MHz~125MHz |
| クリスタルカット | AT;BT |
| 周波数許容範囲(25℃) | ±5ppm~±30ppm |
| 周波数温度特性 | 「AT:±2.5ppm(0℃-50℃);+5ppm(-10℃-60℃);+10ppm(-20℃-70℃);+30ppm(-40℃-85℃)」BT:±100ppm(-20℃-70℃); |
| 保存期間範囲 | -40℃~+85℃ |
| 等価直列抵抗(ESR) | 表を参照 |
| 負荷容量(CL) | 4pf〜∞ |
| シャント容量(Co) | <5pf |
| 絶縁抵抗 | >500m2 DC 100V |
| ドライブレベル | 1μw~100μw |
| 老化(年) | ±3ppm(年) |
| 周波数(MHz) | モード | ESR(Ω) |
| 3.500 ≤f<4.000 | AT/ファンド | 150~100 |
| 4.000 ≤f<6.000 | AT/ファンド | 100~60 |
| 6.000 ≤ f<10.000 | AT/ファンド | 60~50 |
| 10.000≤f<15.000 | AT/ファンド | 50~30 |
| 15.000≤f<35.000 | AT/ファンド | ≤ 25 |
| 21.000 ≤f<40.000 | BT/ファンド | ≤ 40 |
| 25.000 ≤ f<100.000 | 3倍音 | 80~60 |
| 表に記載されているパラメータに加えて、顧客のニーズに応じて設計することができます | ||

*
*
*